Wyszukiwarka
76,81 zł
62,45 zł
Producenci
Zaloguj się
Zamek centralny Hafele z listwą blokady L-600mm 3 szuflady do kontenerka
Cena regularna:
Cena regularna:
towar niedostępny
Opis

ZAMEK CENTRALNY MARKI HAFELE DO KONTENERKÓW BIUROWYCH
Szukasz solidnego i niezawodnego zamka centralnego z listwą do 3 szuflad do kontenerków biurowych oraz domowych? Nasz zamek centralny to idealne rozwiązanie zapewniające skuteczną ochronę przed dostępem osób nieupoważnionych
Zamek który zamyka 3 szuflady jednocześnie.Proste rozwiązanie, bardzo wydajne i łatwe w montażu. Listwa o długości 600mm do szuflad umożliwi zabezpieczenie 3 szuflad jednocześnie.
- Zamek Hafele umożliwia centralną blokadę całego słupka szuflad;
- Akcesoria umożliwiające montaż w szafkach z maksymalnie trzema szufladami
- Dwa stalowe kluczyki z plastikową łamaną główką.
- Wykonanie metal chrom
- Długość L- 600mm
Zakres dostawy
1 centralny zamek obrotowy
2 klucze składane
1 rozetka cylindra
1 centralna listwa zamykająca
2 prowadzenia listwy
3 trzpienie blokujące
3 profile blokujące do szuflad


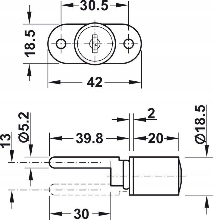
✅ DANE TECHNICZNE:
Droga zamykania - 180°
Kolor/powierzchnia - niklowany
Obszar zastosowania - do montażu w maskownicy frontu
Wykonanie - z zamontowaną na stałe wkładką płytkową z listwą zamykającą 600 mm
Materiał - cynkal
Kształt cylindra - wkładka okrągła
Długość wkładki - 20,00 mm
Średnica wkładki - 18,50 mm
Technika zamykania - z 6 zastawkami płytkowymi
Rysunki techniczne 1


Rysunki techniczne 2


✅ BEZPIECZEŃSTWO TO PODSTAWA!
Zamek ten sprawi, że nie będziesz musiał się więcej martwić o to czy przedmioty Twoje, bądź Twoich pracowników są bezpiecznie przechowywane. Wysokiej jakości materiały użyte do produkcji tego zamka zapewnią długą żywotność.